义乌雄熊五金工具有限公司
首页
企业简介
产品大全
联系我们
企业信息
在线留言
当前位置:
首页
>
产品大全
>
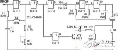
产品图146
产品图146
如若转载,请注明出处:http://www.shentong123.com/product/146.html
更新时间:2026-01-13 04:54:03
产品列表
PRODUCT
声光试电笔的使用方法与图解
医疗产品图解 测电笔的正确使用与选择
从“苦瓜脸”到颜值封神 韩国第一冰山女王的逆袭传奇
波斯测电笔 最全产品参考信息指南
智能电工测电笔 非接触测量与多功能验电解决方案
长城精工声光测电笔 专业五金工具的选择与供应商介绍
毛坯房收房验房必看,别再为你的粗心买单——测电笔的实用指南
测电笔(fs2206)价格及厂家概述
肇庆市西江工业控制PLC服务中心 专业工控产品与电工工具的可靠选择
承诺,让平凡见证伟大——世达测电笔的匠心品质